摘要:結合“工業4.0”提出的智能化生產模式,重點研究并設計了一套橡塑機遠程智能監測系統.以ARM 芯片為主控制芯片設計了GPRS無線通用收發模塊,該模塊與橡塑機PLC控制器互聯,接收PLC傳感器采集的溫度數據和設備運行狀態,通過GPRS傳送到云服務平臺.該智能監測系統可通過遠程測控實時監測橡塑機加工溫度,其短信報警功能可讓設備生產廠家及時了解設備的異常情況,系統的故障報修模塊可對工作人員現場排除故障作出安排并記錄過程,相關服務信息可通過計算機客戶端或手機客戶端查閱。
“工業4.0”被認為是以智能制造為主導的第四次工業革命.該戰略旨在通過充分利用信息通訊技術和網絡空間虛擬系統相結合的手段,將制造業向智能化轉型.“工業4.0”項目主要分為兩大主題:一是“智能工廠”,重點研究智能化生產系統及過程,以及網絡化分布式生產設施的實現;二是“智能生產”,主要涉及整個企業的生產物流管理、人機互動以及3D技術在工業生產過程中的應用等。
精密橡塑制品應用廣泛,如汽車的關鍵零部件等.精密橡塑制品的生產一般是由橡塑機將橡膠原料加熱到一定溫度后用模具壓制成品.在實際生產中,對橡塑機加熱溫度的控制非常重要,如溫度達不到要求則極易出現殘次品.此外,橡塑機在使用的過程中可能因為操作不當或長時間運轉導致異常情況發生,而生產廠家往往因不能及時了解這些異常情況,無法采取相應措施,而導致設備損壞.因此,生產過程中設備的穩定運行是設備使用企業和生產廠家都十分關心的問題.針對上述問題,本文重點對 “工業4.0”的智能化生產模式展開研究,設計了一套橡塑機智能監測系統,以便于用戶通過遠程測控實時監測橡塑機加工溫度,同時方便相關廠家及時準確掌握設備運轉狀況。
1.系統總體結構設計
橡塑機遠程智能監測系統由服務平臺、通信模塊和客戶端構成[1],其總體結構如圖1所示。
圖1 系統總體結構
服務平臺由3部分構成,分別為 WeB服務、數據庫、采集機.WeB服務提供包括 GIS設備導航、設備建模與在線增刪、動畫演示、短信報警等在內的多種功能[2],可通過 GPRS/CDMA,InTeRneT,3G/4G手機網絡[3]實現分布于不同地方的設備、計算機系統、手機以及廠家、用戶等之間的信息交互,達到監測和控制設備的目的.通信模塊采用 ARM 芯片作為主控制芯片,該模塊從橡塑機設備上的PLC獲取溫度和設備運行狀態等數據[4],然后再通過 GPRS傳送到服務平臺,由服務器程序的采集機模塊負責接收并保存到服務平臺數據庫[5].客戶端包括電腦客戶端和手機客戶端,手機客戶端程序同時支持主流的 AndRoId系統和IOS系統。
2.硬件設計
2.1 主控模塊設計
通信模塊的主控制器采用STM32系列32位ARM 微控制器STM32F1O3C8T6,內核是 CoRTeX-M3,最高工作頻率是72MHz,支持單周期乘法和硬件除法功能,其電路如圖2所示.其中,1O,11腳接2路模擬輸入信號,采集橡塑機加熱板的溫度;21,22腳接2路數字輸入信號,采集橡塑機運行和故障狀態開關量;25,26腳接2路數字輸出信號,對橡塑機進行啟、??刂?;12,13腳接RS485通信接口芯片,用來和上位機進行 485 通信;3O,31 腳接GPRS通信模塊的29,3O腳,通過 UART口將采集到的橡塑機狀態數據發送給GPRS模塊。
2.2.無線收發模塊設計
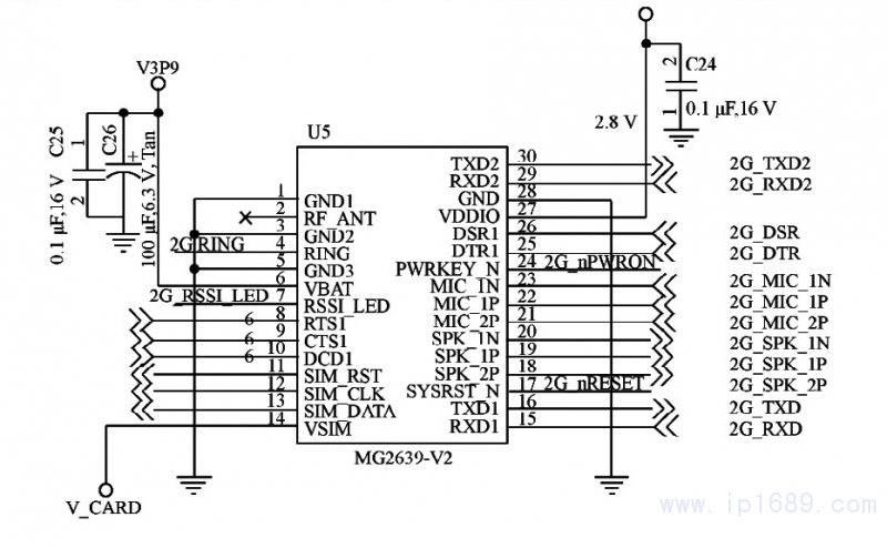
無線收發模塊電路設計原理如圖3所示.通信模塊無線收發部分采用芯片 MG2639,該芯片是中興 通 訊 研 制 的 GSM85O/EGSM9OO/DCS18OO/PCS19OO四頻工業模塊,可實現無線數據高速傳輸.其中,7腳RSSI_LED內部下拉,為普通I/O,電流驅動能力較弱,此處通過增加一個三極管S8O5O來驅動LED燈,起到網絡信號指示的作用.17腳為復位管腳,需要拉低5OOMS,可對 MG2639進行復位,復位信號由主控制器的27腳I/O 口發出.24腳為PWRKEY管腳,通過給一個持續時間2~5S的低電平脈沖模塊即可開機.29,3O腳接主控制器的UART接口,用于發送 AT指令、傳輸數據業務、升級模塊軟件等,通信速率設置為192OOB/S。
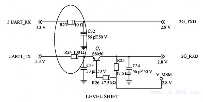
由于模塊輸出I/O 口電平為2.8V,與 MCU的 UART口連接需要進行電平轉換,因此三極管選擇普通小功率開關管即可.UART電平轉換電路如圖4所示。
圖2 主控制模塊電路原理
圖3 無線收發模塊電路原理
圖4 UART電平轉換電路原理
由于無線收發模塊的11~14管腳接SIM卡電路,故SIM卡電路在PCB布線設計時應盡可能靠近模塊,以防止其他干擾源干擾SIM卡讀寫.另外,SIM卡的設計需要滿足ESD電氣性能,為防止損壞SIM卡可在4路SIM卡信號上都加TVS器件 同時在進行 Layout時信號線需經TVS器件進入模塊的基帶處理器,防止損壞模塊.UIM卡接口速率典型值在3.25MHz左右,因此USIM卡座應處于距離模塊接口較近的位置,避免因走線過長(走線應不超過1OOMM)導致波形嚴重變形而影響通信。
2.3.輸入與輸出模塊設計
圖5 所示為模擬量輸入單元,ADC_INO 接STM32F1O3C8T6單片機第1O管腳,ADC_IN1接第11管腳,兩者通過 AI1和 AI2口輸入來采集橡塑機加熱板的溫度數據.前一級采用溫度變送器將橡塑機PLC端采集的溫度數據調理到4~2OMA范圍,溫度與調理后的電壓是線性關系:OV對應-2OO℃;5V對應13OO℃.然后通過AI口送入控制器ADC_INN口.ZMM5V1是穩壓二極管,起過壓保護作用。
圖5 模擬量輸入單元電路原理
數字輸入和輸出單元采用三極管(貼片s8050封裝)作開關電路(如圖 6 所示)包括輸入和輸出電路,模塊設置2個數字量輸入口,用來采集橡塑機運行和故障狀態開關量;設置2個數字量輸出口,用于橡塑機的啟、??刂?。
圖 6 數字輸入和輸出模塊電路原理
2.4.電源模塊設計
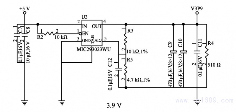
3.9V 電源模塊(如圖7所示)采用 MIC293O2電源轉換芯片外加電容電阻組成 3.9V 穩壓電路,1腳是使能端,高電平有效; 2腳+5V 輸入;4 腳輸出穩定的3.9V 電壓,為 GPRS芯片 MG2639提供電源.3.3V電源供電模塊(如圖8所示)采用電源轉換芯片XC6219B332MR,電容C5用于輸入端濾波,電容C6 用于輸出端濾波,為 STM32 主控制器、485接口電路和數字量輸入輸出電路提供電源。
圖7 3.9V電源模塊供電電路原理
3.軟件設計
3.1.下位機軟件設計
圖9所示為主控制模塊工作流程.模塊上電復位后,首先進行系統硬件初始化工作;完成初始化后,模塊的采集單元定時采集橡塑機的溫度數據和設備運行狀態,并通過 GPRS模塊傳送到云服務平臺[6].圖10所示為 GPRS通信流程.GPRS模塊上電后,首先對串口進行配置并開啟 GSM 模塊電源; 電源打開后, 模塊初始化AT指令,接著接收GSM主控制發送的采集數據并上傳到采集機模塊;完成數據發送后,關閉 GSM 模塊電源并開中斷進入睡眠模式,等待下一次喚醒。
圖8 3.3V電源模塊供電電路原理
圖 9 主控制模塊工作流程
圖1O GPRS通信流程
3.2 上位機軟件設計
上位機服務平臺(見圖11)設計有數據服務中心(DSC軟件.DSC通過 GPRS通訊模塊與生產設)備通訊,一方面采集生產設備的溫度以及其他實時工況上報給服務平臺,另一方面將服務平臺的指令下達給生產設備.DSC 與 GPRS 通訊模塊借助GPRS通訊網絡交互信息,由通訊模塊向DSC提出申請建立 TCP鏈接.交互信息的格式采用標準的MODBUSRTU 協議[7].該平臺程序是主動方式,可以同時接收多臺下位機模塊發送的數據,數量由架設的服務器性能決定,提供包括 GIS硫化橡塑機設備導航、硫化橡塑機建模與在線增刪、動畫演示、短信報警等在內的多項功能。
圖11 服務平臺
4.測試結果及分析
圖12所示為硫化橡塑機的工況測試信息界面.該界面可通過圖表、列表和工礦曲線的形式實時顯示每臺硫化橡塑機的工礦信息,工況信息包括硫化時間、輔助時間以及硫化上、下模溫度等指標.通過這些數據,管理人員可實時監控生產過程中的硫化機溫度,降低工人因為人為失誤或懈怠出現的殘次品概率,嚴格把控硫化產品質量。
圖12 硫化橡塑機的工礦測試信息界面
5.總結
本文研究并設計了一種橡塑機智能監測系統. 該智能監測系統提供的遠程測控可實時監測橡塑機加工溫度,使設備生產廠家及時了解設備異常情況, 系統提供的故障報修模塊可通過 GPRS /CDMA,InTeRne,T3G/4G手機網絡實現分布于不同地方的設備、計算機系統、手機以及廠家、用戶之間的信息交互,達到監測和控制設備的目的,增強了云計算服務的可靠性,具有較好的推廣和應用前景。